D373H双向金属硬密封蝶阀
一、双向金属硬密封蝶阀 产品概述
上海霜恒阀门有限公司生产的双向金属硬密封蝶阀,硬密封蝶阀采用三偏心式结构和多层次金属密封,具有可双向安装, 重量轻,成本低,扭矩小的特点。工作温度可覆盖 -196C ~ 650C,并有各种主体材料可供选择,在许多工况下,不但可用于流体阻断,更可用于流体过程控制以取代传统闸阀,截止阀和球阀。
二、双向金属硬密封蝶阀 产品型号和图片
双向金属硬密封蝶阀 D373H/D343H
一、双向金属硬密封蝶阀 产品概述
|
上海霜恒阀门有限公司生产的双向金属硬密封蝶阀,硬密封蝶阀采用三偏心式结构和多层次金属密封,具有可双向安装, 重量轻,成本低,扭矩小的特点。工作温度可覆盖 -196C ~ 650C,并有各种主体材料可供选择,在许多工况下,不但可用于流体阻断,更可用于流体过程控制以取代传统闸阀,截止阀和球阀。 |
二、双向金属硬密封蝶阀 产品型号和图片
|
|
双向金属硬密封蝶阀 D373H/D343H
|
三、双向金属硬密封蝶阀 主要技术参数
| 公称压力(MPa) | 1.0 | 1.6 | 2.5 | 4.0 | |
|---|---|---|---|---|---|
| 密封试验压力(MPa) | 1.1 | 1.76 | 2.75 | 4.4 | |
| 壳体试验压力(MPa) | 1.5 | 2.4 | 3.75 | 6.0 | |
| 适用温度(℃) | ≤300℃ | ||||
| 材料 | 阀体、蝶板 | WCB,CF8,CF3 | |||
| 填料 | 聚四氟乙烯 | ||||
| 手轮、手柄 | QT450-10 | ||||
| 密封圈 | 不锈钢 | ||||
| 阀杆 | 2Cr13 | ||||
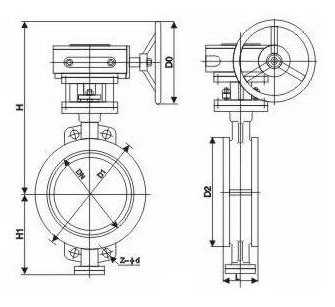
四、双向金属硬密封蝶阀 外形尺寸图
|
|
双向金属硬密封蝶阀 外形尺寸图
|
五、双向金属硬密封蝶阀 外形连接尺寸
| 公称通径 |
结构长度 (标准值) |
外形尺寸(参考值 ) | 连接尺寸(标准值) | |||||||||||||
|---|---|---|---|---|---|---|---|---|---|---|---|---|---|---|---|---|
| L | H | D343H | D643H | D943H | PN4.0MPa | |||||||||||
| mm | inch | 短 | 长 | H1 | A1 | B1 | H2 | A2 | B2 | H3 | A3 | B3 | D | D1 | Z-d | |
| 50 | 2 | 108 | 150 | 112 | 350 | 180 | 200 | 530 | 250 | 255 | 165 | 125 | 4-18 | |||
| 65 | 2 1/2 | 112 | 170 | 115 | 370 | 180 | 200 | 625 | 355 | 92 | 550 | 250 | 255 | 185 | 145 | 8-18 |
| 80 | 3 | 114 | 180 | 120 | 380 | 180 | 200 | 625 | 355 | 92 | 565 | 250 | 255 | 200 | 160 | 8-18 |
| 100 | 4 | 127 | 190 | 138 | 420 | 180 | 200 | 645 | 355 | 92 | 600 | 250 | 255 | 235 | 190 | 8-22 |
| 125 | 5 | 140 | 200 | 164 | 460 | 180 | 200 | 675 | 550 | 138 | 640 | 250 | 255 | 270 | 220 | 8-26 |
| 150 | 6 | 140 | 210 | 175 | 555 | 270 | 280 | 715 | 550 | 138 | 705 | 300 | 315 | 300 | 250 | 8-26 |
| 200 | 8 | 152 | 230 | 208 | 605 | 270 | 280 | 800 | 550 | 138 | 775 | 300 | 315 | 375 | 320 | 12-30 |
| 250 | 10 | 165 | 250 | 243 | 680 | 270 | 280 | 850 | 550 | 138 | 945 | 300 | 315 | 450 | 385 | 12-33 |
| 300 | 12 | 178 | 270 | 283 | 800 | 380 | 420 | 925 | 450 | 220 | 1070 | 300 | 315 | 515 | 450 | 16-33 |
| 350 | 14 | 190 | 290 | 310 | 830 | 380 | 420 | 1035 | 450 | 220 | 1140 | 300 | 315 | 580 | 510 | 16-36 |
| 400 | 6 | 216 | 310 | 350 | 915 | 450 | 470 | 1070 | 650 | 280 | 1210 | 300 | 315 | 660 | 585 | 16-39 |
| 450 | 8 | 222 | 330 | 380 | 960 | 480 | 490 | 1190 | 650 | 280 | 1335 | 575 | 714 | 685 | 610 | 20-39 |
| 500 | 20 | 229 | 350 | 410 | 1020 | 480 | 490 | 1415 | 575 | 714 | 755 | 670 | 20-42 | |||
六、双向金属硬密封蝶阀 安装注意事项
蝶阀结构简单、体积小、重量轻,其组成部分也比较少,就关键的几个零部件就能构成了蝶阀,开启的时候也非常方便,只需要把开关选择到九十度即可,蝶阀对流体的控制非常好,可以随时增加流量或者减少流量,阀门在运输任何流体的时候都有一定的阻力,而蝶阀的阻力主要来自于其自身,比如蝶阀体的厚度,如果想减少对流体的阻力只需要降低其厚度即可。
弹性密封则具有受温度限制的缺陷。
蝶阀的运用范围也比较广,如果用来控制流量的话就需要选择不同的类型和阀体的大小了,因为蝶阀在设计的时候本身就比较适合一些口径比较大的阀门。蝶阀不仅在石油、煤气、化工、水处理等一般工业上得到广泛应用,而且还应用于热电站的冷却水系统。
1、在安装时,阀瓣要停在关闭的位置上。
2、开启位置应按蝶板的旋转角度来确定。
3、带有旁通阀的蝶阀,开启前应先打开旁通阀。
4、应按制造厂的安装说明书进行安装,重量大的蝶阀,应设置牢固的基础。
注:表中尺寸为不带标准附件数据。另由于产品改进技术创新参数可能有一定变化,请咨询公司技术部门索取最新数据。
下一个:BD343h保温蝶阀上一个:D371F46手动衬氟蝶阀
